MODEL:LCB-L                                  
超薄型で高出力、高精度なので試験機用に最適です。
 
型式
定格容量
LCB-L-500N
500N
50.99kgf
LCB-L-1KN
1kN
101.9kgf
LCB-L-2KN
2kN
203.9kgf
                                                         仕  様 
定格容量 ・・・・・・・・・・・ 500N~2kN
定格出力 ・・・・・・・・・・・ ±2mV/V±1%
非直線性 ・・・・・・・・・・・ 0.05%R.O.
ヒステリシス ・・・・・・・・・ 0.05%R.O.
繰り返し性 ・・・・・・・・・・ 0.05%R.O.
推奨印加電圧 ・・・・・・・・・ 10V
許容印加電圧 ・・・・・・・・・ 15V
入出力抵抗 ・・・・・・・・・・ 350Ω±1%
絶縁抵抗 ・・・・・・・・・・・ 2000MΩ以上
温度補償範囲 ・・・・・・・・・ -10~+70℃
許容温度範囲 ・・・・・・・・・ -20~+80℃
温度による零点の影響 ・・・・・ ±0.01%R.O./℃
温度による出力の影響 ・・・・・ ±0.01%/℃
許容過負荷 ・・・・・・・・・・ 150%R.C.
ケーブル ・・・・・・・・・・・ φ6、4芯シールドケーブル3m付属
質量 ・・・・・・・・・・・・・ 1.7kg(ケーブル含まず)
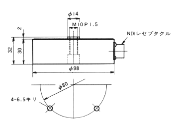
                                                         寸 法 表

                                      

                                     *仕様及び寸法は予告無く変更する場合があります。

                                 NTS 日本特殊測器株式会社

Copyright (C) 2004-2012 NIPPON TOKUSHU SOKKI CO., LTD. All rights reserved.