MODEL:LCH                                          
定格5kN~500kNまでの打ち抜き、圧入、カシメ用プレス専用に開発されたロードセルです。
両端面に4カ所の取付け穴がありますのでフランジ接続で上ラムと、打ち抜き金型をそれぞれ取り付けます。
小型で既設のプレスにも容易に取り付けられ、プレス成型品の合否の判定や一定ストロークまで、圧入時の荷重管理などに多く使用されています。
 
型式
定格容量
LCH-5KN
5kN
509.9kgf
LCH-10KN
10kN
1.019tonf
LCH-20KN
20kN
2.039tonf
LCH-30KN
30kN
3.059tonf
LCH-50KN
50kN
5.099tonf
LCH-100KN
100kN
10.19tonf
LCH-200KN
200kN
20.39tonf
LCH-300KN
300kN
30.59tonf
LCH-500KN
500kN
50.99tonf
                                                            仕  様
定格容量 ・・・・・・・・・・・ 5kN~500kN
定格出力 ・・・・・・・・・・・ 1mV/V±1%
非直線性 ・・・・・・・・・・・ 0.3%R.O.(300kN~500kNは0.5%R.O.)
ヒステリシス ・・・・・・・・・ 0.3%R.O.(300kN~500kNは0.5%R.O.)
繰り返し性 ・・・・・・・・・・ 0.1%R.O.
推奨印加電圧 ・・・・・・・・・ 10V
許容印加電圧 ・・・・・・・・・ 18V
入出力抵抗 ・・・・・・・・・・ 350Ω±1%
絶縁抵抗 ・・・・・・・・・・・ 2000MΩ以上
温度補償範囲 ・・・・・・・・・ -10~+70℃
許容温度範囲 ・・・・・・・・・ -20~+80℃
温度による零点の影響 ・・・・・ ±0.01%R.O./℃
温度による出力の影響 ・・・・・ ±0.01%/℃
許容過負荷 ・・・・・・・・・・ 120%R.C.
ケーブル ・・・・・・・・・・・ φ6、4芯シールドケーブル3m
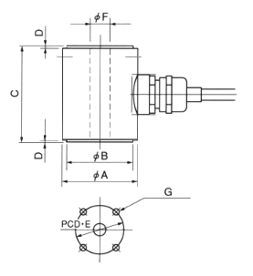
                                                         寸 法 表
型式
定格容量
φA
φB
C
D
φE
φF
G
質量
(kg)
LCH-5KN
5kN
40
35
50
1
24
10
2×4-M4深サ8
0.3
LCH-10KN
10kN
62
55
70
2
44
18
2×4-M5深サ8
0.95
LCH-20KN
20kN
62
55
70
2
44
18
2×4-M5深サ8
1
LCH-30KN
30kN
62
55
70
2
44
18
2×4-M5深サ8
1
LCH-50KN
50kN
62
55
70
2
44
18
2×4-M5深サ8
1
LCH-100KN
100kN
62
55
80
2
44
*
2×4-M5深サ8
1.3
LCH-200KN
200kN
88
80
100
2
60
20
2×4-M8深サ12
2.9
LCH-300KN
300kN
100
90
120
2
70
20
2×4-M8深サ15
4.6
LCH-500KN
500kN
134
120
150
2
90
30
2×4-M10深サ16
11
*LCH-100KNは、上・下より6mmだけφ18、貫通穴はφ12になります。

                                      

                                     *仕様及び寸法は予告無く変更する場合があります。

                                 NTS 日本特殊測器株式会社

Copyright (C) 2004-2012 NIPPON TOKUSHU SOKKI CO., LTD. All rights reserved.