MODEL:LRL                                 
 
引張圧縮用のロードセルで、小型・軽量、両端ネジなので取付が簡単です。

*特長
・高精度、高出力
・オールステンレス製
型式
定格容量
LRL-500N
500N
50.99kgf
LRL-1KN
1kN
101.9kgf
LRL-2KN
2kN
203.9kgf
LRL-5KN
5kN
509.9kgf
LRL-10KN
10kN
1.019tonf
                                                         仕  様 
定格容量 ・・・・・・・・・・・ 500N~10kN
定格出力 ・・・・・・・・・・・ ±2mV/V±1%
非直線性 ・・・・・・・・・・・ 0.15%R.O.
ヒステリシス ・・・・・・・・・ 0.15%R.O.
繰り返し性 ・・・・・・・・・・ 0.1%R.O.
推奨印加電圧 ・・・・・・・・・ 10V
許容印加電圧 ・・・・・・・・・ 18V
入出力抵抗 ・・・・・・・・・・ 350Ω±1%
絶縁抵抗 ・・・・・・・・・・・ 2000MΩ以上
温度補償範囲 ・・・・・・・・・ -10~+70℃

許容温度範囲 ・・・・・・・・・ -20~+80℃

温度による零点の影響 ・・・・・ ±0.01%R.O./℃
温度による出力の影響 ・・・・・ ±0.01%/℃
許容過負荷 ・・・・・・・・・・ 120%R.C.
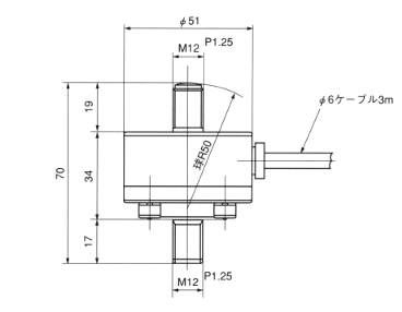
ケーブル ・・・・・・・・・・・ φ6、4芯シールドケーブル3m
質量 ・・・・・・・・・・・・・ 約0.6kg(ケーブル含む)
                                                         寸 法 表

                                      

                                     *仕様及び寸法は予告無く変更する場合があります。

                                 NTS 日本特殊測器株式会社

Copyright (C) 2004-2012 NIPPON TOKUSHU SOKKI CO., LTD. All rights reserved.