MODEL:LRN                               
 
両端メネジの引張圧縮専用のロードセルです。
加圧側はオネジの加工だけですみますので使い易くなっています。
材料の特性試験や自動車部品の性能試験などに多く利用されています。 

*特長
・取付が簡単にできる
・高信頼性、低価格

*特注品要素
・オネジタイプ可能
・ネジ寸法変更可能
・防水型可能
・全長の寸法変更可能
型式
定格容量
LRN-1KN
1kN
101.9kgf
LRN-2KN
2kN
203.9kgf
LRN-5KN
5kN
509.9kgf
LRN-10KN
10kN
1.019tonf
LRN-20KN
20kN
2.039tonf
                                                         仕  様 
定格容量 ・・・・・・・・・・・ 1kN~20kN
定格出力 ・・・・・・・・・・・ ±1mV/V±1%
非直線性 ・・・・・・・・・・・ 0.3%R.O.
ヒステリシス ・・・・・・・・・ 0.3%R.O.
繰り返し性 ・・・・・・・・・・ 0.1%R.O.
推奨印加電圧 ・・・・・・・・・ 10V
許容印加電圧 ・・・・・・・・・ 18V
入出力抵抗 ・・・・・・・・・・ 350Ω±1%
絶縁抵抗 ・・・・・・・・・・・ 2000MΩ以上
温度補償範囲 ・・・・・・・・・ -10~+70℃
許容温度範囲 ・・・・・・・・・ -20~+80℃
温度による零点の影響 ・・・・・ ±0.01%R.O./℃
温度による出力の影響 ・・・・・ ±0.01%/℃
許容過負荷 ・・・・・・・・・・ 120%R.C.
ケーブル ・・・・・・・・・・・ φ6、4芯シールドケーブル3m付属
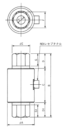
                                                         寸 法 表
型式
定格容量
A
B
C
D
D1
φE
F
G
G1
J
質量
(kg)
LRN-1KN
1kN
63
80
40
20
20
19.6
17
20
20
M10P1.5深サ15
0.8
LRN-2KN
2kN
63
80
40
20
20
19.6
17
20
20
M10P1.5深サ15
0.8
LRN-5KN
5kN
63
92
42
20
30
31.2
27
20
25
M18P1.5深サ25
1.0
LRN-10KN
10kN
56
130
70
30
30
37
32
25
25
M18P1.5深サ25
1.1
LRN-20KN
20kN
66
140
80
30
30
41
36
25
25
M24P2深サ30
1.5

                                      

                                     *仕様及び寸法は予告無く変更する場合があります。

                                 NTS 日本特殊測器株式会社

Copyright (C) 2004-2012 NIPPON TOKUSHU SOKKI CO., LTD. All rights reserved.