MODEL:LRU                             
 
Uゲージタイプのロードセルと同形で、ひずみゲージ方式の為に高精度、高安定度を誇り、繊維、ワイヤー等の引張試験や低容量の荷重試験に広く利用されています。
型式
定格容量
LRU-10N
10N
1.019kgf
LRU-20N
20N
2.039kgf
LRU-50N
50N
5.099kgf
                                                         仕  様 
定格容量 ・・・・・・・・・・・ 10N~50N
定格出力 ・・・・・・・・・・・ ±1mV/V±1%
非直線性 ・・・・・・・・・・・ 0.1%R.O.
ヒステリシス ・・・・・・・・・ 0.1%R.O.
推奨印加電圧 ・・・・・・・・・ 5V
許容印加電圧 ・・・・・・・・・ 8V
入出力抵抗 ・・・・・・・・・・ 350Ω±1%
絶縁抵抗 ・・・・・・・・・・・ 2000MΩ以上
温度補償範囲 ・・・・・・・・・ -10~+60℃
許容温度範囲 ・・・・・・・・・ -10~+60℃
温度による零点の影響 ・・・・・ ±0.01%R.O./℃
温度による出力の影響 ・・・・・ ±0.01%/℃
許容過負荷 ・・・・・・・・・・ 120%R.C.
ケーブル ・・・・・・・・・・・ φ3、4芯シールドケーブル3m
質量 ・・・・・・・・・・・・・ 約0.2kg(ケーブル含む)
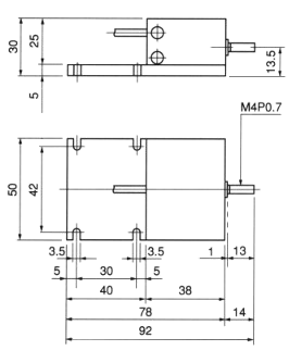
                                                         寸 法 表

                                      

                                     *仕様及び寸法は予告無く変更する場合があります。

                                 NTS 日本特殊測器株式会社

Copyright (C) 2004-2012 NIPPON TOKUSHU SOKKI CO., LTD. All rights reserved.